Saturday, December 24, 2022

[2+] Sanyo Wiring Diagram List, Kenmore Elite Dishwasher Parts Diagram | Reviewmotors.co

Sanyo Wiring Diagram List Manuals Toro

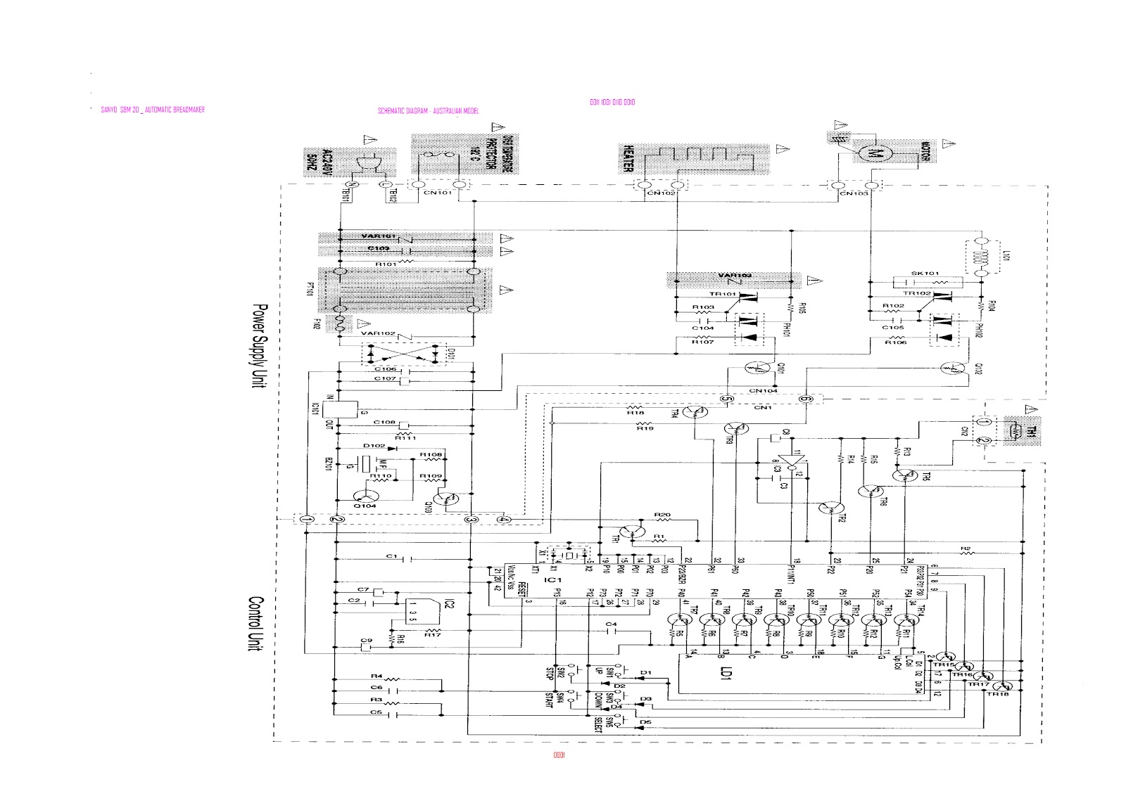
Electro help: sanyo sbm20

Safety sensor wiring circuit plc diagram output st4 pnp beam compact type panasonic case www3 fasys ae biz ac. Sansui tv circuit diagram free download. Sanyo air conditioner wiring diagram. Mtd white manual

Electro help: SANYO SBM20 - BREADMAKER _ SERVICE HELP _ AUSTRALIAN MODEL

Electro help: SANYO SBM20 - BREADMAKER _ SERVICE HELP _ AUSTRALIAN MODEL

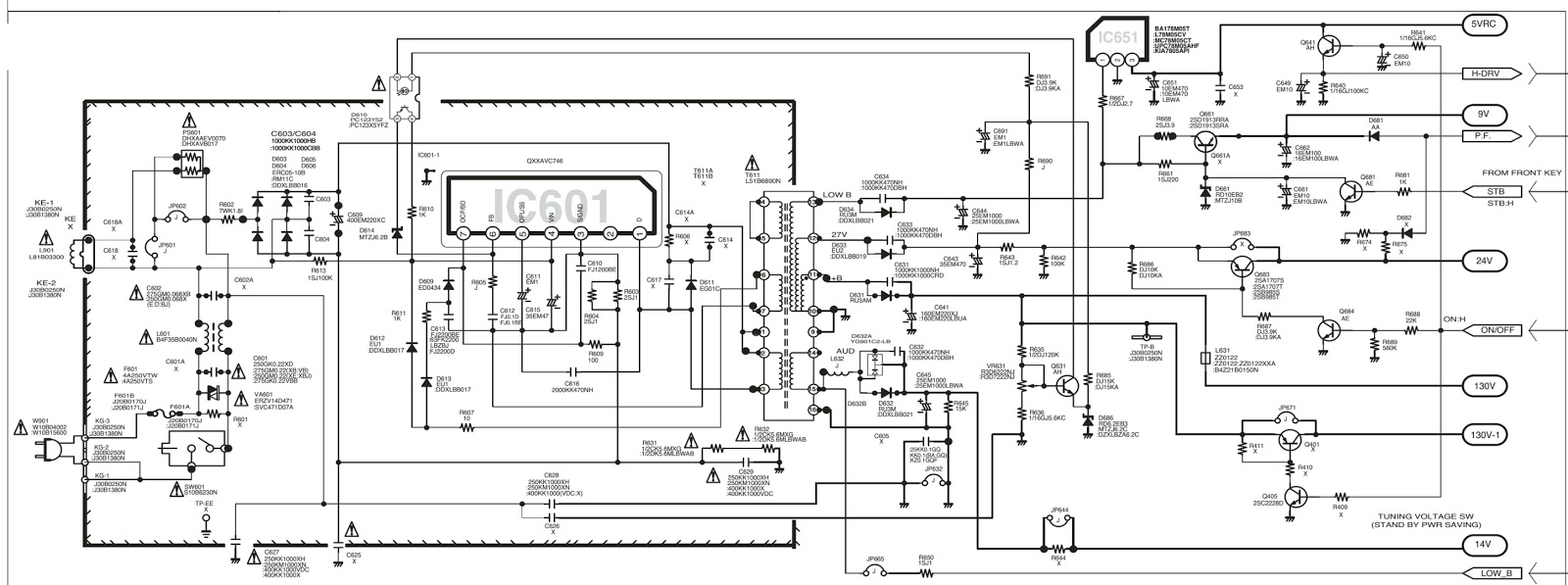
Sanyo Tv Schematic Circuit Diagram

Sanyo Tv Schematic Circuit Diagram

Electro help: SANYO DS13320 NTSC (U.S.A.) (CANADA) - SERVICE HINTS

Electro help: SANYO DS13320 NTSC (U.S.A.) (CANADA) - SERVICE HINTS

Sanyo Air Conditioner Wiring Diagram - Complete Wiring Schemas

Sanyo Air Conditioner Wiring Diagram - Complete Wiring Schemas

[RR_9402] Tv Sanyo Power Supply Smps Schematic Circuit Diagram Download

[RR_9402] Tv Sanyo Power Supply Smps Schematic Circuit Diagram Download

No comments: